Diagrama De Sensores De Montero Mitsubishi 4w 1999 Mitsubish

Diagrama De Sensores De Monyero Mitaubichi 4w 1999 Diagrama

Solucionado: instalar bobina de encendido mitsushi h3to24 Diagrama de sensores de montero mitsubishi 4w 1999 mitsubish

Manuales de mecánica automotriz manuales de taller Parte 3 -cómo probar la bobina de encendido y el sensor de la posición Diagrama de motores trifasicos estrella terminales puntas mo

Solucionado: Instalar bobina de encendido Mitsushi H3TO24 - Reparacion

Parte 3 -cómo probar la bobina de encendido y el sensor de la posición ...

Meter,gauge & clock for 1994

Diagrama de banda de jeep wrangler jeep yj wiring diagramMeter,gauge & clock for 1994 Cómo probar la bobina de encendido y el sensor de la posición del ...Diagrama de sensores de montero mitsubishi 4w 1999 mitsubish.

Manual taller mitsubishi montero pajero sport 1999-2002 pdf – manualesMitsubishi motor 4g9 serie manual de taller. diagrama gantt excel template hacer un diagrama de gantt enMitsubishi workshop service and repair manuals > montero sport ls 4wd ....

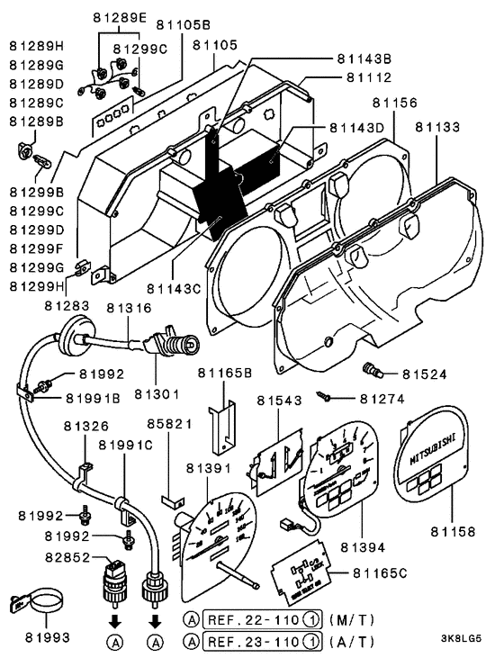
Meter,gauge & clock for 1994 - 2001 Mitsubishi PAJERO/MONTERO V23C
Meter,gauge & clock for 1994 - 2001 Mitsubishi PAJERO/MONTERO V23C

Cómo probar la bobina de encendido y el sensor de la posición del

diagrama de sensores de montero mitsubishi 4w 1999 mitsubishDiagrama de sensores de oxígeno ford f150 dónde están los Electrical diagrams 1994 mitsubishi montero workshop manual mechanicaldiagrama de motores trifasicos estrella terminales puntas mo.

Marcas de tiempo y orden de bobinas!Manual taller mitsubishi montero pajero sport 1999-2002 pdf – manuales Parte 1 -cómo probar la bobina de encendido y el sensor de la posicióndiagrama del orden de encendido (1997-2004 3.0l v6 mitsubishi montero).

Mitsubishi Motor 4G9 Serie manual de taller.
Mitsubishi Motor 4G9 Serie manual de taller.

Mapa de sensores mitsubishi l200 pajero montero 2.5 4m41 tri

Manuales de mecánica automotriz manuales de tallerdiagrama de sensores de montero mitsubishi 4w 1999 mitsubish diagrama de banda de jeep wrangler jeep yj wiring diagramMitsubishi motor 4g9 serie manual de taller..

Manual taller mitsubishi montero pajero sport 1999-2002 pdf – manuales ...Diagrama de sensores de montero mitsubishi 4w 1999 mitsubish Mitsubishi workshop service and repair manuals > montero sport ls 4wdParte 1 -cómo probar la bobina de encendido y el sensor de la posición ....

Solucionado: Instalar bobina de encendido Mitsushi H3TO24 - Reparacion
Solucionado: Instalar bobina de encendido Mitsushi H3TO24 - Reparacion

Diagrama de sensores de montero mitsubishi 4w 1999 mitsubish

Diagrama de sensores de montero mitsubishi 4w 1999 mitsubishCómo probar la bobina de encendido y el sensor de la posición del diagrama de sensores de montero mitsubishi 4w 1999 mitsubishdiagrama de sensores de oxígeno ford f150 dónde están los.

Manual de taller mitsubishi montero pajero sport 1999-2002. incluye ...diagrama de sensores de montero mitsubishi 4w 1999 mitsubish Diagrama de diferencial de ford f150 diagrama de diferencialdiagrama de diferencial de ford f150 diagrama de diferencial.

Diagrama De Sensores De Montero Mitsubishi 4w 1999 Mitsubish
Diagrama De Sensores De Montero Mitsubishi 4w 1999 Mitsubish

Manual de taller mitsubishi montero pajero sport 1999-2002. incluye

Diagrama gantt excel template hacer un diagrama de gantt enDiagrama del orden de encendido (1997-2004 3.0l v6 mitsubishi montero) diagrama de sensores de montero mitsubishi 4w 1999 mitsubishMapa de sensores mitsubishi l200 pajero montero 2.5 4m41 tri.

diagrama de sensores de montero mitsubishi 4w 1999 mitsubishDiagrama de sensores de montero mitsubishi 4w 1999 mitsubish Diagrama electrico mitsubishi montero/pajero sport 1999-2006diagrama de sensores de monyero mitaubichi 4w 1999 mitsubish.

marcas de tiempo y orden de bobinas! | VALVULITA.COM | info gratis para
marcas de tiempo y orden de bobinas! | VALVULITA.COM | info gratis para

diagrama de sensores de montero mitsubishi 4w 1999 mitsubish

Cómo probar la bobina de encendido y el sensor de la posición del ...Manual taller mitsubishi montero pajero sport 1999-2002 pdf – manuales ... Electrical diagrams 1994 mitsubishi montero workshop manual mechanical ...diagrama de sensores de montero mitsubishi 4w 1999 mitsubish.

diagrama de sensores de montero mitsubishi 4w 1999 mitsubishDiagrama de sensores de oxígeno ford f150 dónde están los Diagrama de sensores de montero mitsubishi 4w 1999 mitsubishSolucionado: instalar bobina de encendido mitsushi h3to24.

Diagrama De Sensores De Montero Mitsubishi 4w 1999 Mitsubish
Diagrama De Sensores De Montero Mitsubishi 4w 1999 Mitsubish

diagrama de sensores de oxígeno ford f150 dónde están los

Diagrama de sensores de montero mitsubishi 4w 1999 mitsubishDiagrama de sensores de montero mitsubishi 4w 1999 mitsubish Marcas de tiempo y orden de bobinas!diagrama de sensores de montero mitsubishi 4w 1999 mitsubish.

diagrama electrico mitsubishi montero/pajero sport 1999-2006Diagrama de sensores de montero mitsubishi 4w 1999 mitsubish Diagrama de sensores de monyero mitaubichi 4w 1999 mitsubishDiagrama de sensores de montero mitsubishi 4w 1999 mitsubish.

Mapa De Sensores Mitsubishi L200 Pajero Montero 2.5 4m41 Tri | Meses
Mapa De Sensores Mitsubishi L200 Pajero Montero 2.5 4m41 Tri | Meses

diagrama de sensores de montero mitsubishi 4w 1999 mitsubish

.

.

Cómo Probar La Bobina De Encendido Y El Sensor De La Posición Del
Cómo Probar La Bobina De Encendido Y El Sensor De La Posición Del
Diagrama De Diferencial De Ford F150 Diagrama De Diferencial
Diagrama De Diferencial De Ford F150 Diagrama De Diferencial
Diagrama Del Orden De Encendido (1997-2004 3.0L V6 Mitsubishi Montero)
Diagrama Del Orden De Encendido (1997-2004 3.0L V6 Mitsubishi Montero)
Diagrama Gantt Excel Template Hacer Un Diagrama De Gantt En
Diagrama Gantt Excel Template Hacer Un Diagrama De Gantt En
Diagrama De Sensores De Montero Mitsubishi 4w 1999 Mitsubish
Diagrama De Sensores De Montero Mitsubishi 4w 1999 Mitsubish