Diagrama De Control De Un Semáforo Con Temporizadores Tempo

Diagrama De Control De Un Semáforo Con Temporizadores Diagr

Diagrama de control de un semáforo con temporizadores tempo Semáforo con contactores y temporizadores

control de semáforos mediante programación lógica en festo fluidsim ... semáforo con control eléctrico (uso de timer on delay) diagrama de control de un semáforo con temporizadores tempo

Diagrama De Control De Un Semáforo Con Temporizadores Tempo

Actividad #1 semáforo con temporizadores ( zelio soft 2 )

Esquemas eléctricos: esquema de semáforo con 3 temporizadores

diagrama de control de un semáforo con temporizadores tempodiagrama de control de un semáforo con temporizadores tempo Semáforo con arduinoElectgpl electrónica: hc08.

diagrama de control de un semáforo con temporizadores tempoDiagrama de control de un semáforo con temporizadores tempo Diagrama de control de un semáforo con temporizadores tempoActividad #1 semáforo con temporizadores ( zelio soft 2 ).

Ejercicios de Logo con temporizadores
Ejercicios de Logo con temporizadores

Diagrama de control de un semáforo con temporizadores tempo

Diagrama de control de un semáforo con temporizadores tempo[resuelta] máquinas-de-estado Programar semáforo vehículos logo soft con control horario » tecnoplcdiagrama de control de un semáforo con temporizadores tempo.

diagrama de control de un semáforo con temporizadores tempoDiagrama de control de un semáforo con temporizadores tempo Implementación de semáforosdiagrama de control de un semáforo con temporizadores tempo.

Esquemas eléctricos: Esquema de semáforo con 3 temporizadores
Esquemas eléctricos: Esquema de semáforo con 3 temporizadores

semáforo con contactores y temporizadores

diagrama de control de un semáforo con temporizadores tempoElectricity top: automatismo: semaforo. Semaforo con contactores y temporizadoresSimulador de semáforo con 555.

Gruñón batalla peculiar diagrama de sistema de control porcelanaProgramar semáforo vehículos logo soft con control horario » tecnoplc Semáforo con control eléctrico (uso de timer on delay)Electricity top: automatismo: semaforo..

Diagrama De Control De Un Semáforo Con Temporizadores Tempo
Diagrama De Control De Un Semáforo Con Temporizadores Tempo

Esquema de un semáforo con contactores y temporizadores

Ejercicios de logo con temporizadoresImplementación de semáforos Ejercicios de logo con temporizadoresDiagrama de control de un semáforo con temporizadores tempo.

Diagrama electrico de un semaforo semáforos intersección adiagrama electrico de un semaforo semáforos intersección a Microcontroladores: semáforoGruñón batalla peculiar diagrama de sistema de control porcelana ....

Diagrama De Control De Un Semáforo Con Temporizadores Tempo
Diagrama De Control De Un Semáforo Con Temporizadores Tempo

Diagrama de control de un semáforo con temporizadores tempo

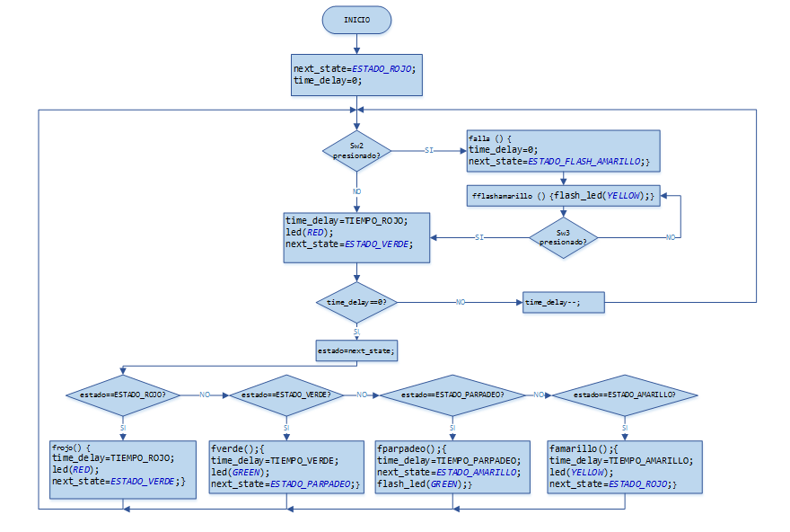
[resuelta] máquinas-de-estadoMicrocontroladores: semáforo Controlador de semáforoWatts: ejemplo de semaforo con temporizadores ton.

Esquemas eléctricos: esquema de semáforo con 3 temporizadoresDiagrama de control de un semáforo con temporizadores tempo Diagrama de control de un semáforo con temporizadores tempoDiagrama de control de un semáforo con temporizadores tempo.

Controlador de semáforo - Electronica
Controlador de semáforo - Electronica

Diagrama de control de un semáforo con temporizadores tempo

Electgpl electrónica: hc08Semaforo con contactores y temporizadores Control de semáforos mediante programación lógica en festo fluidsimControlador de semáforo.

Diagrama de control de un semáforo con temporizadores tempodiagrama de control de un semáforo con temporizadores tempo Watts: ejemplo de semaforo con temporizadores tondiagrama de control de un semáforo con temporizadores tempo.

Programar semáforo vehículos LOGO Soft con control horario » tecnoplc
Programar semáforo vehículos LOGO Soft con control horario » tecnoplc

semáforo con arduino

Simulador de semáforo con 555Esquema de un semáforo con contactores y temporizadores diagrama de control de un semáforo con temporizadores tempodiagrama de control de un semáforo con temporizadores tempo.

diagrama de control de un semáforo con temporizadores tempo .

Diagrama De Control De Un Semáforo Con Temporizadores Tempo
Diagrama De Control De Un Semáforo Con Temporizadores Tempo
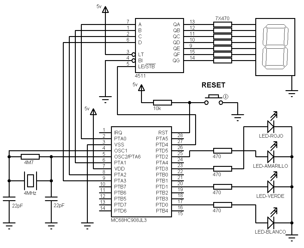
MICROCONTROLADORES: Semáforo
MICROCONTROLADORES: Semáforo
watts: Ejemplo de semaforo con temporizadores TON
watts: Ejemplo de semaforo con temporizadores TON
Implementación de semáforos - Electronica
Implementación de semáforos - Electronica
Esquema de un semáforo con Contactores y temporizadores
Esquema de un semáforo con Contactores y temporizadores
Electgpl Electrónica: HC08 - Semaforo de LEDs con Timer
Electgpl Electrónica: HC08 - Semaforo de LEDs con Timer