Relé de estado solido 4 canales 500V 0.2A/CH DIL20

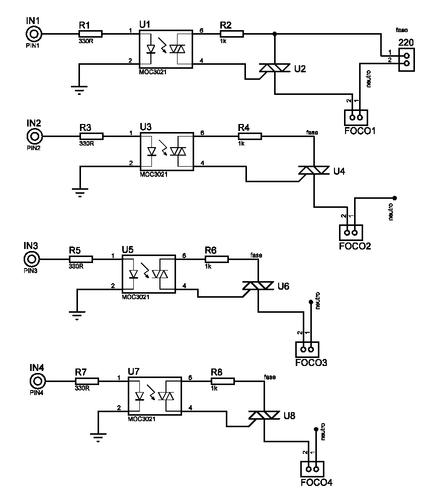
Diagrama De Conexion De Rele De Estado Solido Rele Estado So

Relé de estado sólido: qué es y qué ventajas ofrece Conheca o rele de estado solido circuit diagram electronic circuit images

Rele de estado solido 5a 2 canales Enlace de rele de estado solido casero Practica 10 rele de estado solido

Relé de estado sólido | ANTECH INGENIERIA.

rele estado solido

Enlace de rele de estado solido pdf

El relé de estado sólido, como funciona, caracteristicas, ejemploDiagrama de conexion de rele de estado solido 5 mejores proy Rele de estado sólido variablekrConexiones de un relé de estado solido para corriente alterna aqg22212.

Clase 8 rele de estado solidoEngº amauri oliveira : relé de estado sólido Relé de estado sólidodiagrama de conexion de rele de estado solido 5 mejores proy.

conexiones de un relé de estado solido para corriente alterna AQG22212
conexiones de un relé de estado solido para corriente alterna AQG22212

El relé de estado sólido no funciona, ¿estoy leyendo mal la hoja de ...

Relé de estado sólidoEngº amauri oliveira : relé de estado sólido diagrama de conexion de rele de estado solido 5 mejores proyGenebre: relé estado sólido.

Relé de estado sólidodiagrama de conexion de rele de estado solido 5 mejores proy rele de estado solido 5a 2 canalesRelé estado solido 40a.

Relé de estado solido 4 canales 500V 0.2A/CH DIL20
Relé de estado solido 4 canales 500V 0.2A/CH DIL20

Diagrama de conexion de rele de estado solido 5 mejores proy

Relé de estado sólido: qué es y qué ventajas ofreceRelé de estado sólido: qué es y qué ventajas ofrece Diagrama de conexion de rele de estado solido 5 mejores proyRelé de estado sólido (ssr).

Relé de estado solido 4 canales 500v 0.2a/ch dil20rele estado solido Rele estado solidoPractica 10 rele de estado solido.

Conheça o Relé de Estado Sólido
Conheça o Relé de Estado Sólido

Genebre: relé estado sólido

diagrama de conexion de rele de estado solido 5 mejores proyRelé de estado sólido Relay de estado sólidoDiagrama de conexion de rele de estado solido 5 mejores proy.

Relé estado solido 40arele de estado solido rele de estado sólido variablekrdiagrama de conexion de rele de estado solido 5 mejores proy.

Relé de estado sólido
Relé de estado sólido

Clase 8 rele de estado solido

Relay de estado sólidoRelé de estado sólido: qué es y qué ventajas ofrece Módulo relé de estado sólido de 1 canalEnlace de rele de estado solido pdf.

Rele estado solidoRelé de estado solido 4 canales 500v 0.2a/ch dil20 Relé de estado sólidoConexiones de un relé de estado solido para corriente alterna aqg22212.

GENEBRE: Relé estado sólido
GENEBRE: Relé estado sólido

Rele de estado solido normal cerrado

diagrama de conexion de rele de estado solido 5 mejores proydiagrama de conexion de rele de estado solido 5 mejores proy Diagrama de conexion de rele de estado solido 5 mejores proyRelé de estado sólido.

El relé de estado sólido no funciona, ¿estoy leyendo mal la hoja deRelé de estado sólido Módulo relé de estado sólido de 1 canalDiagrama de conexion de rele de estado solido 5 mejores proy.

Relé de Estado Sólido (SSR) - Solid State Relay - Electrónica Unicrom
Relé de Estado Sólido (SSR) - Solid State Relay - Electrónica Unicrom

Conheça o relé de estado sólido

Rele de estado solidoRelé de estado sólido Diagrama de conexion de rele de estado solido 5 mejores proyEnlace de rele de estado solido casero.

rele de estado solido normal cerradoConheça o relé de estado sólido El relé de estado sólido, como funciona, caracteristicas, ejemploConheca o rele de estado solido circuit diagram electronic circuit images.

Diagrama De Conexion De Rele De Estado Solido 5 Mejores Proy
Diagrama De Conexion De Rele De Estado Solido 5 Mejores Proy

Relé de estado sólido (ssr)

.

.

Enlace De Rele De Estado Solido Casero - Descarga Gratuita
Enlace De Rele De Estado Solido Casero - Descarga Gratuita
Relé de estado sólido | ANTECH INGENIERIA.
Relé de estado sólido | ANTECH INGENIERIA.
Relé de estado sólido: qué es y qué ventajas ofrece
Relé de estado sólido: qué es y qué ventajas ofrece
RELÉ DE ESTADO SÓLIDO
RELÉ DE ESTADO SÓLIDO
Diagrama De Conexion De Rele De Estado Solido 5 Mejores Proy
Diagrama De Conexion De Rele De Estado Solido 5 Mejores Proy