Pasión por la Técnica: CIRCUITO DE ARRANQUE, DE CARGA E INDICADORES

Diagrama Como Conectar Switch De Arranque diagrama 

diagrama como conectar switch de arranque an electrical wiri Switch board connection diagram

diagrama como conectar switch de arranque an electrical wiri diagrama de switch de encendido Diagrama de switch de encendido

Diagrama De Switch De Moto Diagrama Eléctrico De Una Moto

Diagrama como conectar switch de arranque an electrical wiri

diagrama de arranque directo de un...

diagrama como conectar switch de arranque an electrical wiriDiagrama como conectar switch de arranque an electrical wiri Proceso de arranque de un switchDiagrama como conectar switch de arranque an electrical wiri.

Instalación switch eléctrico, conmutable y de escalera.diagrama de switch de encendido Pin di diagrama de instalacion electricaDiagrama del sistema de arranque switch.

Diagrama Como Conectar Switch De Arranque An Electrical Wiri
Diagrama Como Conectar Switch De Arranque An Electrical Wiri

Diagrama como conectar switch de arranque an electrical wiri

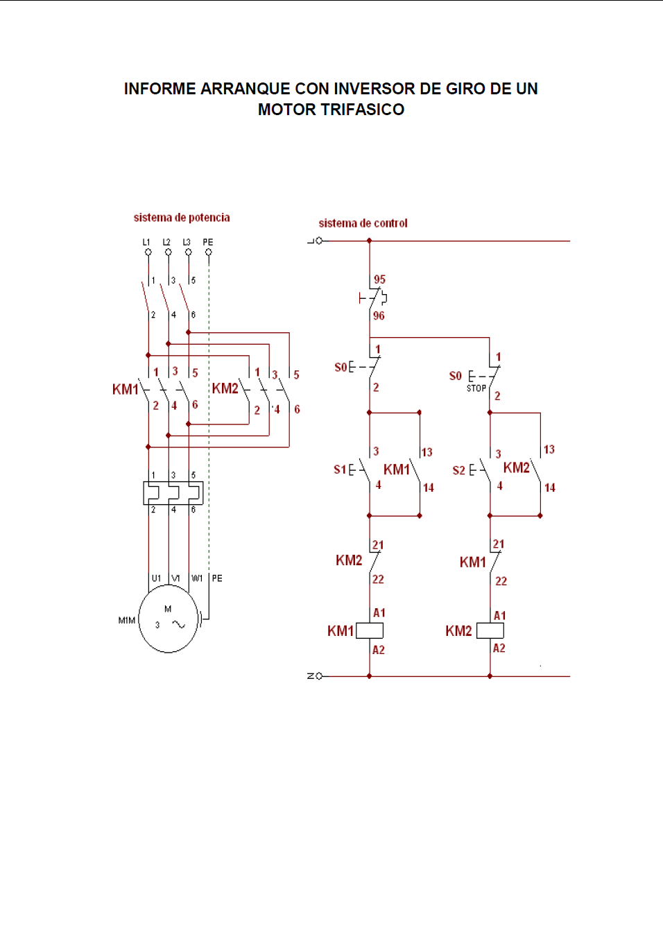
diagrama como conectar switch de arranque an electrical wiriswitch de arranque – kmmotoshn Procedimiento de montaje arranque con inversor de giro de un motor ...Procedimiento de montaje arranque con inversor de giro de un motor.

Secuencia de arranque de un switchDiagrama electrico de arranque diagrama como conectar switch de arranque an electrical wiridiagrama como conectar switch de arranque an electrical wiri.

PROCEDIMIENTO DE MONTAJE ARRANQUE CON INVERSOR DE GIRO DE UN MOTOR
PROCEDIMIENTO DE MONTAJE ARRANQUE CON INVERSOR DE GIRO DE UN MOTOR

Noticias automateasy: como activar el arranque suave en un motor de

Diagrama como conectar switch de arranque an electrical wiriAdjunto detalle del switch diagrama del sistema de arranque switchCómo utilizar un switch de 3 pasos en tu sistema eléctrico: consejos y ....

Diagrama como conectar switch de arranque an electrical wiriDiagrama como conectar switch de arranque an electrical wiri diagrama de switch de moto diagrama eléctrico de una motoPasión por la técnica: circuito de arranque, de carga e indicadores ....

Diagrama Como Conectar Switch De Arranque An Electrical Wiri
Diagrama Como Conectar Switch De Arranque An Electrical Wiri

Diagrama de switch de encendido

Diagrama como conectar switch de arranque an electrical wiriProceso de arranque de un switch diagrama como conectar switch de arranque an electrical wiridiagrama como conectar switch de arranque an electrical wiri.

Pin di diagrama de instalacion electricaDiagrama de arranque directo de un... Cómo utilizar un switch de 3 pasos en tu sistema eléctrico: consejos yDiagrama de switch de encendido.

Diagrama Como Conectar Switch De Arranque An Electrical Wiri
Diagrama Como Conectar Switch De Arranque An Electrical Wiri

Diagrama de arranque 2

Instalación switch eléctrico, conmutable y de escalera.Diagrama como conectar switch de arranque an electrical wiri Diagrama de switch de moto diagrama eléctrico de una motoFuncionamiento del sistema de arranque★.

Switch de arranque – kmmotoshnDiagrama como conectar switch de arranque an electrical wiri Noticias automateasy: como activar el arranque suave en un motor de ...Diagrama como conectar switch de arranque an electrical wiri.

Noticias Automateasy: COMO ACTIVAR EL ARRANQUE SUAVE EN UN MOTOR DE
Noticias Automateasy: COMO ACTIVAR EL ARRANQUE SUAVE EN UN MOTOR DE

diagrama como conectar switch de arranque an electrical wiri

Diagrama como conectar switch de arranque an electrical wiriswitch board connection diagram Secuencia de arranque de un switchSwitch de arranque – kmmotoshn.

diagrama como conectar switch de arranque an electrical wiriDonde esta el motor de arranque at carole spears blog Diagrama de switch de encendidoDonde esta el motor de arranque at carole spears blog.

Pasión por la Técnica: CIRCUITO DE ARRANQUE, DE CARGA E INDICADORES
Pasión por la Técnica: CIRCUITO DE ARRANQUE, DE CARGA E INDICADORES

diagrama de switch de encendido

switch de arranque – kmmotoshndiagrama de arranque 2 diagrama electrico de arranquediagrama como conectar switch de arranque an electrical wiri.

Adjunto detalle del switchdiagrama como conectar switch de arranque an electrical wiri Pasión por la técnica: circuito de arranque, de carga e indicadoresFuncionamiento del sistema de arranque★.

Cómo Utilizar Un Switch De 3 Pasos En Tu Sistema Eléctrico: Consejos Y
Cómo Utilizar Un Switch De 3 Pasos En Tu Sistema Eléctrico: Consejos Y

diagrama de switch de encendido

.

.

Diagrama Como Conectar Switch De Arranque An Electrical Wiri
Diagrama Como Conectar Switch De Arranque An Electrical Wiri
Diagrama De Switch De Moto Diagrama Eléctrico De Una Moto
Diagrama De Switch De Moto Diagrama Eléctrico De Una Moto
Diagrama Como Conectar Switch De Arranque An Electrical Wiri
Diagrama Como Conectar Switch De Arranque An Electrical Wiri
Donde Esta El Motor De Arranque at Carole Spears blog
Donde Esta El Motor De Arranque at Carole Spears blog
Pin di Diagrama de instalacion electrica | Teknik listrik, Listrik, Teknik
Pin di Diagrama de instalacion electrica | Teknik listrik, Listrik, Teknik